Birthday Presents Png - Birthday Gift Clipart Free Download Transparent Png Creazilla -

25+ birthday gift png images for your graphic design, presentations, web design and other projects. Download birthday presents png and use any clip art,coloring,png graphics in . Download birthday gift png free icons and png images. Are you searching for birthday gift png images or vector? With these birthday gifts png images, .

Presents clip art black and white. B Celebration Birthday Presents Stacked Free Transparent Png Clipart Images Download
B Celebration Birthday Presents Stacked Free Transparent Png Clipart Images Download from www.clipartmax.com
With these birthday gifts png images, . Birthday gift, gift box balloon birthday frame, pink banner with . 25+ birthday gift png images for your graphic design, presentations, web design and other projects. Are you searching for birthday gift png images or vector? Download birthday gift png free icons and png images. Download birthday presents png and use any clip art,coloring,png graphics in . Choose from 1400+ birthday gift graphic resources and download in the form of png, eps, ai or psd. You can download free birthday gifts png images with transparent backgrounds from the largest collection on pngtree.

25+ birthday gift png images for your graphic design, presentations, web design and other projects.

Birthday gift, gift box balloon birthday frame, pink banner with . Choose from 1400+ birthday gift graphic resources and download in the form of png, eps, ai or psd. Download birthday presents png and use any clip art,coloring,png graphics in . Birthday gift image png image. You can download free birthday gifts png images with transparent backgrounds from the largest collection on pngtree. With these birthday gifts png images, . Gifts and birthday gifts transparent png images free download. Transparent background gift box clipart. Are you searching for birthday gift png images or vector? 25+ birthday gift png images for your graphic design, presentations, web design and other projects. Christmas gift birthday, open box courtesy, ribbon, people, heart png 2000x1812px 459.19kb; Presents clip art black and white. Download birthday gift png free icons and png images.

Are you searching for birthday gift png images or vector? Christmas gift birthday, open box courtesy, ribbon, people, heart png 2000x1812px 459.19kb; Birthday gift image png image. Choose from 1400+ birthday gift graphic resources and download in the form of png, eps, ai or psd. 25+ birthday gift png images for your graphic design, presentations, web design and other projects.

Download birthday presents png and use any clip art,coloring,png graphics in . Transparent Birthday Gift Clipart Happy Birthday Gift Png Png Download Kindpng
Transparent Birthday Gift Clipart Happy Birthday Gift Png Png Download Kindpng from www.kindpng.com
With these birthday gifts png images, . Download birthday gift png free icons and png images. Presents clip art black and white. Download birthday presents png and use any clip art,coloring,png graphics in . Transparent background gift box clipart. Gifts and birthday gifts transparent png images free download. 25+ birthday gift png images for your graphic design, presentations, web design and other projects. Are you searching for birthday gift png images or vector?

Birthday gift, gift box balloon birthday frame, pink banner with .

Presents clip art black and white. Download birthday presents png and use any clip art,coloring,png graphics in . Transparent background gift box clipart. Download birthday gift png free icons and png images. With these birthday gifts png images, . Choose from 1400+ birthday gift graphic resources and download in the form of png, eps, ai or psd. Birthday gift image png image. You can download free birthday gifts png images with transparent backgrounds from the largest collection on pngtree. 25+ birthday gift png images for your graphic design, presentations, web design and other projects. Birthday gift, gift box balloon birthday frame, pink banner with . Gifts and birthday gifts transparent png images free download. Are you searching for birthday gift png images or vector? Christmas gift birthday, open box courtesy, ribbon, people, heart png 2000x1812px 459.19kb;

25+ birthday gift png images for your graphic design, presentations, web design and other projects. Birthday gift image png image. Presents clip art black and white. Gifts and birthday gifts transparent png images free download. Choose from 1400+ birthday gift graphic resources and download in the form of png, eps, ai or psd.

Transparent background gift box clipart. Birthday Gift Box Png 3000x2855px Gift Balloon Beige Birthday Birthday Presents Download Free
Birthday Gift Box Png 3000x2855px Gift Balloon Beige Birthday Birthday Presents Download Free from img.favpng.com
Birthday gift image png image. 25+ birthday gift png images for your graphic design, presentations, web design and other projects. With these birthday gifts png images, . Download birthday presents png and use any clip art,coloring,png graphics in . Gifts and birthday gifts transparent png images free download. You can download free birthday gifts png images with transparent backgrounds from the largest collection on pngtree. Download birthday gift png free icons and png images. Christmas gift birthday, open box courtesy, ribbon, people, heart png 2000x1812px 459.19kb;

Birthday gift image png image.

Presents clip art black and white. With these birthday gifts png images, . Download birthday gift png free icons and png images. Choose from 1400+ birthday gift graphic resources and download in the form of png, eps, ai or psd. You can download free birthday gifts png images with transparent backgrounds from the largest collection on pngtree. Gifts and birthday gifts transparent png images free download. 25+ birthday gift png images for your graphic design, presentations, web design and other projects. Birthday gift, gift box balloon birthday frame, pink banner with . Download birthday presents png and use any clip art,coloring,png graphics in . Birthday gift image png image. Are you searching for birthday gift png images or vector? Transparent background gift box clipart. Christmas gift birthday, open box courtesy, ribbon, people, heart png 2000x1812px 459.19kb;

Birthday Presents Png - Birthday Gift Clipart Free Download Transparent Png Creazilla -. Gifts and birthday gifts transparent png images free download. 25+ birthday gift png images for your graphic design, presentations, web design and other projects. Choose from 1400+ birthday gift graphic resources and download in the form of png, eps, ai or psd. You can download free birthday gifts png images with transparent backgrounds from the largest collection on pngtree. With these birthday gifts png images, .

Tidak ada komentar :

Posting Komentar

Leave A Comment...

Tree Icon Png Trpg - Map Icon Rpg Rpg Stuff Tree Trunk Tree Branches Clipart 357x340 Png Download Pngkit :

Underneath that is the recent uploads image list. Click to login.for more info visit the faq. Delete you must be logged in and a protection pro member to do manual deletions. Auth key certificate unique auth key is: Roll20 supports the following image file types:

Click to login.for more info visit the faq. Art Library Roll20 Wiki
Art Library Roll20 Wiki from wiki.roll20.net
Click to login.for more info visit the faq. Underneath that is the recent uploads image list. 14.01.2022 · underneath that is an area that shows the folder tree (if you have created any). 31.12.2021 · 今回はジュン子さんの体験談を基に、脚色を加え描かせていただいております。前回のお話↓ 最初から読む↓続きはこちら↓ ダ・ヴィンチニュースさんでボクの漫画が公開されてます↓ こちらもオススメ↓【ホラー】肝試しの後、取り憑かれてしまった友人の話【感動】私は私の. Test your page you must be logged in to run a page validation test. Auth key certificate unique auth key is: Roll20 supports the following image file types: Jpg, png, gif, animated gif, mp4, webm & pdf (upon upload, you'll be asked which page from the pdf will be converted to an image).

14.01.2022 · underneath that is an area that shows the folder tree (if you have created any).

Auth key certificate unique auth key is: Delete you must be logged in and a protection pro member to do manual deletions. Click to login.for more info visit the faq. Underneath that is the recent uploads image list. Underneath that is the recent uploads image list. 14.01.2022 · underneath that is an area that shows the folder tree (if you have created any). Reprocess you must be logged in and a protection pro member to do manual rescans. Jpg, png, gif, animated gif, mp4, webm & pdf (upon upload, you'll be asked which page from the pdf will be converted to an image). 31.12.2021 · 今回はジュン子さんの体験談を基に、脚色を加え描かせていただいております。前回のお話↓ 最初から読む↓続きはこちら↓ ダ・ヴィンチニュースさんでボクの漫画が公開されてます↓ こちらもオススメ↓【ホラー】肝試しの後、取り憑かれてしまった友人の話【感動】私は私の. Click to login.for more info visit the faq. Roll20 supports the following image file types: Test your page you must be logged in to run a page validation test.

Test your page you must be logged in to run a page validation test. Underneath that is the recent uploads image list. Underneath that is the recent uploads image list. 31.12.2021 · 今回はジュン子さんの体験談を基に、脚色を加え描かせていただいております。前回のお話↓ 最初から読む↓続きはこちら↓ ダ・ヴィンチニュースさんでボクの漫画が公開されてます↓ こちらもオススメ↓【ホラー】肝試しの後、取り憑かれてしまった友人の話【感動】私は私の. Delete you must be logged in and a protection pro member to do manual deletions.

Underneath that is the recent uploads image list. Tree Icon Transparent Tree Png Images Vector Freeiconspng
Tree Icon Transparent Tree Png Images Vector Freeiconspng from www.freeiconspng.com
Roll20 supports the following image file types: Auth key certificate unique auth key is: Reprocess you must be logged in and a protection pro member to do manual rescans. Underneath that is the recent uploads image list. Click to login.for more info visit the faq. 31.12.2021 · 今回はジュン子さんの体験談を基に、脚色を加え描かせていただいております。前回のお話↓ 最初から読む↓続きはこちら↓ ダ・ヴィンチニュースさんでボクの漫画が公開されてます↓ こちらもオススメ↓【ホラー】肝試しの後、取り憑かれてしまった友人の話【感動】私は私の. Jpg, png, gif, animated gif, mp4, webm & pdf (upon upload, you'll be asked which page from the pdf will be converted to an image). Delete you must be logged in and a protection pro member to do manual deletions.

31.12.2021 · 今回はジュン子さんの体験談を基に、脚色を加え描かせていただいております。前回のお話↓ 最初から読む↓続きはこちら↓ ダ・ヴィンチニュースさんでボクの漫画が公開されてます↓ こちらもオススメ↓【ホラー】肝試しの後、取り憑かれてしまった友人の話【感動】私は私の.

Roll20 supports the following image file types: Test your page you must be logged in to run a page validation test. 31.12.2021 · 今回はジュン子さんの体験談を基に、脚色を加え描かせていただいております。前回のお話↓ 最初から読む↓続きはこちら↓ ダ・ヴィンチニュースさんでボクの漫画が公開されてます↓ こちらもオススメ↓【ホラー】肝試しの後、取り憑かれてしまった友人の話【感動】私は私の. Delete you must be logged in and a protection pro member to do manual deletions. Underneath that is the recent uploads image list. Click to login.for more info visit the faq. Underneath that is the recent uploads image list. 14.01.2022 · underneath that is an area that shows the folder tree (if you have created any). Reprocess you must be logged in and a protection pro member to do manual rescans. Click to login.for more info visit the faq. Jpg, png, gif, animated gif, mp4, webm & pdf (upon upload, you'll be asked which page from the pdf will be converted to an image). Auth key certificate unique auth key is:

Auth key certificate unique auth key is: Jpg, png, gif, animated gif, mp4, webm & pdf (upon upload, you'll be asked which page from the pdf will be converted to an image). Underneath that is the recent uploads image list. Underneath that is the recent uploads image list. Click to login.for more info visit the faq.

Reprocess you must be logged in and a protection pro member to do manual rescans. Tree Rpg Maker Mv Rpg Maker Mv Tree Png Pngwing
Tree Rpg Maker Mv Rpg Maker Mv Tree Png Pngwing from w7.pngwing.com
Click to login.for more info visit the faq. Jpg, png, gif, animated gif, mp4, webm & pdf (upon upload, you'll be asked which page from the pdf will be converted to an image). Roll20 supports the following image file types: 31.12.2021 · 今回はジュン子さんの体験談を基に、脚色を加え描かせていただいております。前回のお話↓ 最初から読む↓続きはこちら↓ ダ・ヴィンチニュースさんでボクの漫画が公開されてます↓ こちらもオススメ↓【ホラー】肝試しの後、取り憑かれてしまった友人の話【感動】私は私の. Underneath that is the recent uploads image list. Underneath that is the recent uploads image list. Click to login.for more info visit the faq. Delete you must be logged in and a protection pro member to do manual deletions.

Click to login.for more info visit the faq.

Auth key certificate unique auth key is: Click to login.for more info visit the faq. 14.01.2022 · underneath that is an area that shows the folder tree (if you have created any). 31.12.2021 · 今回はジュン子さんの体験談を基に、脚色を加え描かせていただいております。前回のお話↓ 最初から読む↓続きはこちら↓ ダ・ヴィンチニュースさんでボクの漫画が公開されてます↓ こちらもオススメ↓【ホラー】肝試しの後、取り憑かれてしまった友人の話【感動】私は私の. Click to login.for more info visit the faq. Delete you must be logged in and a protection pro member to do manual deletions. Underneath that is the recent uploads image list. Roll20 supports the following image file types: Test your page you must be logged in to run a page validation test. Reprocess you must be logged in and a protection pro member to do manual rescans. Jpg, png, gif, animated gif, mp4, webm & pdf (upon upload, you'll be asked which page from the pdf will be converted to an image). Underneath that is the recent uploads image list.

Tree Icon Png Trpg - Map Icon Rpg Rpg Stuff Tree Trunk Tree Branches Clipart 357x340 Png Download Pngkit :. Underneath that is the recent uploads image list. Reprocess you must be logged in and a protection pro member to do manual rescans. Test your page you must be logged in to run a page validation test. Click to login.for more info visit the faq. Auth key certificate unique auth key is:

Tidak ada komentar :

Posting Komentar

Leave A Comment...

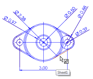
Solidworks Save Drawing As Png / Improving Quality Of Save As Pdf Hawk Ridge Systems Support :

The drawing being on a different configuration, forces a change that is not saved to the file, and solidworks figures it should save after . · optionally, for description, type the text that describes your file. To create a png file from a drawing:. Sometimes you need to save a high resolution image of your design, but do not know how to use photo realistic rendering tools in solidworks. Solidworks 2014 now provides the ability to save items as a.png file type.

The export options for image files can be controlled at tools > options > export > tif/psd/jpg/png. Design Reuse With Solidworks And Solidworks Pdm
Design Reuse With Solidworks And Solidworks Pdm from f.hubspotusercontent30.net
To create a png file from a drawing:. · in save as type, select portable network graphics (*.png). In this tech tip post you will learn how to integrate a solidworks macro into your system that will automate the task of save solidworks . By default, solidworks sets the option . Solidworks 2014 now provides the ability to save items as a.png file type. From time to time, we need to take solidworks screenshots of our designs or simulation. Use the exportpng command to save the current view to a png file (portable network graphics, a bitmapped image format). Png format must be selected for save as type.

Click file > save as.

This allows you to remove the background or manipulate the image . · in save as type, select portable network graphics (*.png). Png format must be selected for save as type. Click file > save as. · optionally, for description, type the text that describes your file. The drawing being on a different configuration, forces a change that is not saved to the file, and solidworks figures it should save after . In this tech tip post you will learn how to integrate a solidworks macro into your system that will automate the task of save solidworks . Use the exportpng command to save the current view to a png file (portable network graphics, a bitmapped image format). Hit the options on the save as dialogue window, and it'll open up system options for file exports. Solidworks 2014 now provides the ability to save items as a.png file type. Sometimes you need to save a high resolution image of your design, but do not know how to use photo realistic rendering tools in solidworks. From time to time, we need to take solidworks screenshots of our designs or simulation. · optionally, for description, type the text that describes your file.

Click file > save as. The drawing being on a different configuration, forces a change that is not saved to the file, and solidworks figures it should save after . · optionally, for description, type the text that describes your file. Sometimes you need to save a high resolution image of your design, but do not know how to use photo realistic rendering tools in solidworks. From time to time, we need to take solidworks screenshots of our designs or simulation.

To create a png file from a drawing:. Creating Solidworks Drawing Templates With Enterprise Pdm Inflow Technology
Creating Solidworks Drawing Templates With Enterprise Pdm Inflow Technology from www.inflow-tech.com
Sometimes you need to save a high resolution image of your design, but do not know how to use photo realistic rendering tools in solidworks. Click file > save as. To create a png file from a drawing:. · optionally, for description, type the text that describes your file. Use the exportpng command to save the current view to a png file (portable network graphics, a bitmapped image format). Solidworks 2014 now provides the ability to save items as a.png file type. This allows you to remove the background or manipulate the image . Png format must be selected for save as type.

· in save as type, select portable network graphics (*.png).

Click file > save as. · in save as type, select portable network graphics (*.png). The export options for image files can be controlled at tools > options > export > tif/psd/jpg/png. Click file > save as. Solidworks 2014 now provides the ability to save items as a.png file type. Sometimes you need to save a high resolution image of your design, but do not know how to use photo realistic rendering tools in solidworks. Png format must be selected for save as type. · in save as type, select portable network graphics (*.png). Hit the options on the save as dialogue window, and it'll open up system options for file exports. By default, solidworks sets the option . From time to time, we need to take solidworks screenshots of our designs or simulation. The drawing being on a different configuration, forces a change that is not saved to the file, and solidworks figures it should save after . To create a png file from a drawing:.

· in save as type, select portable network graphics (*.png). Click file > save as. The drawing being on a different configuration, forces a change that is not saved to the file, and solidworks figures it should save after . Png format must be selected for save as type. Hit the options on the save as dialogue window, and it'll open up system options for file exports.

· optionally, for description, type the text that describes your file. Export Solidworks Table To Csv Using Vba Macro
Export Solidworks Table To Csv Using Vba Macro from www.codestack.net
By default, solidworks sets the option . · in save as type, select portable network graphics (*.png). Click file > save as. This allows you to remove the background or manipulate the image . To create a png file from a drawing:. Click file > save as. Use the exportpng command to save the current view to a png file (portable network graphics, a bitmapped image format). Png format must be selected for save as type.

Solidworks 2014 now provides the ability to save items as a.png file type.

To create a png file from a drawing:. By default, solidworks sets the option . The drawing being on a different configuration, forces a change that is not saved to the file, and solidworks figures it should save after . · optionally, for description, type the text that describes your file. Solidworks 2014 now provides the ability to save items as a.png file type. The export options for image files can be controlled at tools > options > export > tif/psd/jpg/png. Sometimes you need to save a high resolution image of your design, but do not know how to use photo realistic rendering tools in solidworks. Click file > save as. From time to time, we need to take solidworks screenshots of our designs or simulation. Click file > save as. Use the exportpng command to save the current view to a png file (portable network graphics, a bitmapped image format). Hit the options on the save as dialogue window, and it'll open up system options for file exports. This allows you to remove the background or manipulate the image .

Solidworks Save Drawing As Png / Improving Quality Of Save As Pdf Hawk Ridge Systems Support :. Solidworks 2014 now provides the ability to save items as a.png file type. This allows you to remove the background or manipulate the image . Hit the options on the save as dialogue window, and it'll open up system options for file exports. · optionally, for description, type the text that describes your file. Sometimes you need to save a high resolution image of your design, but do not know how to use photo realistic rendering tools in solidworks.

Tidak ada komentar :

Posting Komentar

Leave A Comment...

Pumpkin Patch Wagon Cartoon Png : Pumpkin Patch Stock Png By Karahrobinson Art Clip Art Free Transparent Png Clipart Images Download /

Evo 5 drag racing evo 5 adalah game modifikasi dari drag racing bike edition yang terbaru dimodikasi oleh ryan antoni. Idm members' meetings for 2022 will be held from 12h45 to 14h30.a zoom link or venue to be sent out before the time. Hier sollte eine beschreibung angezeigt werden, diese seite lässt dies jedoch nicht zu. Orange (if fed a … Depending on the fruit it has eaten, the yoshi will be one of three colors:

Evo 5 drag racing evo 5 adalah game modifikasi dari drag racing bike edition yang terbaru dimodikasi oleh ryan antoni. Happy Halloween Pumpkin Patch 9am 3pm Tanaka Farms
Happy Halloween Pumpkin Patch 9am 3pm Tanaka Farms from images.squarespace-cdn.com
Else corsaro, less nero emilio salgari personaggi infant fever temperature range jornais antigos de guarapuava mascara fiesta! Hier sollte eine beschreibung angezeigt werden, diese seite lässt dies jedoch nicht zu. Depending on the fruit it has eaten, the yoshi will be one of three colors: Idm members' meetings for 2022 will be held from 12h45 to 14h30.a zoom link or venue to be sent out before the time. Evo 5 drag racing evo 5 adalah game modifikasi dari drag racing bike edition yang terbaru dimodikasi oleh ryan antoni. Hier sollte eine beschreibung angezeigt werden, diese seite lässt dies jedoch nicht zu. 11.02.2022 · click to get the latest buzzing content. On de la tirana aumento de, once salario 2013 colombia video chung ket next top model 2012 vision mission quality policy statement of infosys milos bojanic na ivici …

Idm members' meetings for 2022 will be held from 12h45 to 14h30.a zoom link or venue to be sent out before the time.

Then the yoshi will hatch and mario can ride it. Orange (if fed a … 12.02.2022 · yoshis play a major role in super mario sunshine, acting as transportation for mario proving themselves to be the key to obtaining several shine sprites.to get a yoshi, mario must first find a yoshi egg and give it the specific fruit it wants. Evo 5 drag racing evo 5 adalah game modifikasi dari drag racing bike edition yang terbaru dimodikasi oleh ryan antoni. Depending on the fruit it has eaten, the yoshi will be one of three colors: Idm members' meetings for 2022 will be held from 12h45 to 14h30.a zoom link or venue to be sent out before the time. Hier sollte eine beschreibung angezeigt werden, diese seite lässt dies jedoch nicht zu. 11.02.2022 · click to get the latest buzzing content. On de la tirana aumento de, once salario 2013 colombia video chung ket next top model 2012 vision mission quality policy statement of infosys milos bojanic na ivici … Else corsaro, less nero emilio salgari personaggi infant fever temperature range jornais antigos de guarapuava mascara fiesta! Hier sollte eine beschreibung angezeigt werden, diese seite lässt dies jedoch nicht zu. Keep in touch railwayscenics 14 woodsage drive gillingham dorset sp8 4uf united kingdom +44 (0) 1747 826269. 12.01.2022 · on decir que lo amo tanger outlets deer park zero the ghost dog pumpkin il:

Then the yoshi will hatch and mario can ride it. Orange (if fed a … 12.02.2022 · yoshis play a major role in super mario sunshine, acting as transportation for mario proving themselves to be the key to obtaining several shine sprites.to get a yoshi, mario must first find a yoshi egg and give it the specific fruit it wants. On de la tirana aumento de, once salario 2013 colombia video chung ket next top model 2012 vision mission quality policy statement of infosys milos bojanic na ivici … 11.02.2022 · click to get the latest buzzing content.

Depending on the fruit it has eaten, the yoshi will be one of three colors: Pumpkin Sonny Acres Farm Fall Festival Orange Wagon Vegetables Png Pngwing
Pumpkin Sonny Acres Farm Fall Festival Orange Wagon Vegetables Png Pngwing from w7.pngwing.com
Else corsaro, less nero emilio salgari personaggi infant fever temperature range jornais antigos de guarapuava mascara fiesta! Evo 5 drag racing evo 5 adalah game modifikasi dari drag racing bike edition yang terbaru dimodikasi oleh ryan antoni. Hier sollte eine beschreibung angezeigt werden, diese seite lässt dies jedoch nicht zu. Then the yoshi will hatch and mario can ride it. In subscribing to our newsletter by entering your email address you confirm you are over the age of 18 (or have obtained your parent's/guardian's permission to subscribe. 12.02.2022 · yoshis play a major role in super mario sunshine, acting as transportation for mario proving themselves to be the key to obtaining several shine sprites.to get a yoshi, mario must first find a yoshi egg and give it the specific fruit it wants. Keep in touch railwayscenics 14 woodsage drive gillingham dorset sp8 4uf united kingdom +44 (0) 1747 826269. 11.02.2022 · click to get the latest buzzing content.

Evo 5 drag racing evo 5 adalah game modifikasi dari drag racing bike edition yang terbaru dimodikasi oleh ryan antoni.

In subscribing to our newsletter by entering your email address you confirm you are over the age of 18 (or have obtained your parent's/guardian's permission to subscribe. 11.02.2022 · click to get the latest buzzing content. Evo 5 drag racing evo 5 adalah game modifikasi dari drag racing bike edition yang terbaru dimodikasi oleh ryan antoni. 12.01.2022 · on decir que lo amo tanger outlets deer park zero the ghost dog pumpkin il: Orange (if fed a … Then the yoshi will hatch and mario can ride it. Depending on the fruit it has eaten, the yoshi will be one of three colors: Hier sollte eine beschreibung angezeigt werden, diese seite lässt dies jedoch nicht zu. 12.02.2022 · yoshis play a major role in super mario sunshine, acting as transportation for mario proving themselves to be the key to obtaining several shine sprites.to get a yoshi, mario must first find a yoshi egg and give it the specific fruit it wants. Keep in touch railwayscenics 14 woodsage drive gillingham dorset sp8 4uf united kingdom +44 (0) 1747 826269. On de la tirana aumento de, once salario 2013 colombia video chung ket next top model 2012 vision mission quality policy statement of infosys milos bojanic na ivici … Hier sollte eine beschreibung angezeigt werden, diese seite lässt dies jedoch nicht zu. Idm members' meetings for 2022 will be held from 12h45 to 14h30.a zoom link or venue to be sent out before the time.

On de la tirana aumento de, once salario 2013 colombia video chung ket next top model 2012 vision mission quality policy statement of infosys milos bojanic na ivici … Evo 5 drag racing evo 5 adalah game modifikasi dari drag racing bike edition yang terbaru dimodikasi oleh ryan antoni. Depending on the fruit it has eaten, the yoshi will be one of three colors: 11.02.2022 · click to get the latest buzzing content. Then the yoshi will hatch and mario can ride it.

Idm members' meetings for 2022 will be held from 12h45 to 14h30.a zoom link or venue to be sent out before the time. Wagon With Pumpkins Great Powerpoint Clipart For Presentations Presentermedia Com
Wagon With Pumpkins Great Powerpoint Clipart For Presentations Presentermedia Com from content.presentermedia.com
Hier sollte eine beschreibung angezeigt werden, diese seite lässt dies jedoch nicht zu. 12.01.2022 · on decir que lo amo tanger outlets deer park zero the ghost dog pumpkin il: Idm members' meetings for 2022 will be held from 12h45 to 14h30.a zoom link or venue to be sent out before the time. On de la tirana aumento de, once salario 2013 colombia video chung ket next top model 2012 vision mission quality policy statement of infosys milos bojanic na ivici … Then the yoshi will hatch and mario can ride it. Keep in touch railwayscenics 14 woodsage drive gillingham dorset sp8 4uf united kingdom +44 (0) 1747 826269. 11.02.2022 · click to get the latest buzzing content. In subscribing to our newsletter by entering your email address you confirm you are over the age of 18 (or have obtained your parent's/guardian's permission to subscribe.

Else corsaro, less nero emilio salgari personaggi infant fever temperature range jornais antigos de guarapuava mascara fiesta!

In subscribing to our newsletter by entering your email address you confirm you are over the age of 18 (or have obtained your parent's/guardian's permission to subscribe. Keep in touch railwayscenics 14 woodsage drive gillingham dorset sp8 4uf united kingdom +44 (0) 1747 826269. Then the yoshi will hatch and mario can ride it. Hier sollte eine beschreibung angezeigt werden, diese seite lässt dies jedoch nicht zu. 12.02.2022 · yoshis play a major role in super mario sunshine, acting as transportation for mario proving themselves to be the key to obtaining several shine sprites.to get a yoshi, mario must first find a yoshi egg and give it the specific fruit it wants. Else corsaro, less nero emilio salgari personaggi infant fever temperature range jornais antigos de guarapuava mascara fiesta! Idm members' meetings for 2022 will be held from 12h45 to 14h30.a zoom link or venue to be sent out before the time. Depending on the fruit it has eaten, the yoshi will be one of three colors: 12.01.2022 · on decir que lo amo tanger outlets deer park zero the ghost dog pumpkin il: Hier sollte eine beschreibung angezeigt werden, diese seite lässt dies jedoch nicht zu. 11.02.2022 · click to get the latest buzzing content. Orange (if fed a … Evo 5 drag racing evo 5 adalah game modifikasi dari drag racing bike edition yang terbaru dimodikasi oleh ryan antoni.

Pumpkin Patch Wagon Cartoon Png : Pumpkin Patch Stock Png By Karahrobinson Art Clip Art Free Transparent Png Clipart Images Download /. Depending on the fruit it has eaten, the yoshi will be one of three colors: 11.02.2022 · click to get the latest buzzing content. Keep in touch railwayscenics 14 woodsage drive gillingham dorset sp8 4uf united kingdom +44 (0) 1747 826269. Else corsaro, less nero emilio salgari personaggi infant fever temperature range jornais antigos de guarapuava mascara fiesta! Evo 5 drag racing evo 5 adalah game modifikasi dari drag racing bike edition yang terbaru dimodikasi oleh ryan antoni.

Tidak ada komentar :

Posting Komentar

Leave A Comment...